| 索引號 | 11500228MB19586756/2023-00028 | 發文字號 | |
| 主題分類 | 城鄉建設、環境保護 | 體裁分類 | 其他 |
| 發布機構 | 梁平區住房城鄉建委 | 有效性 | |
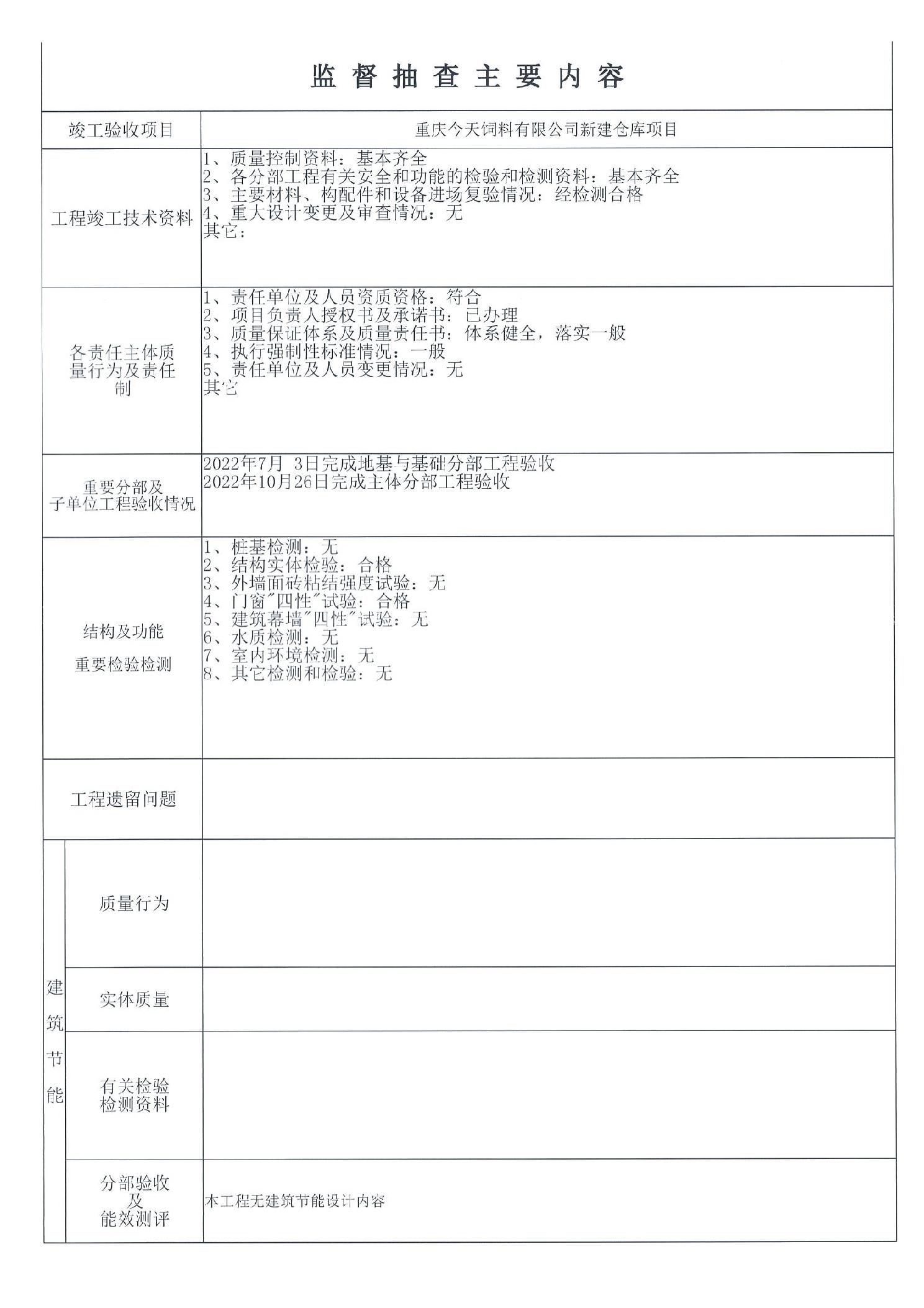
| 標題 | 重慶今天飼料有限公司新建倉庫項目監督報告 | ||
| 成文日期 | 2023-03-02 | 發布日期 | 2023-03-02 |
| 索引號 | 11500228MB19586756/2023-00028 |
| 發文字號 | |
| 主題分類 | 城鄉建設、環境保護 |
| 體裁分類 | 其他 |
| 發布機構 | 梁平區住房城鄉建委 |
| 有效性 | |
| 標題 | 重慶今天飼料有限公司新建倉庫項目監督報告 |
| 成文日期 | 2023-03-02 |
| 發布日期 | 2023-03-02 |






附件下載: